WELBEE W400

The Welbee W400 integrates advanced AC pulse technology to optimize heat input, ensuring high-quality welds on thin materials with minimal thermal distortion. Engineered for automatic systems, it delivers consistent stability and significantly reduces spatter to enhance overall production efficiency.
WELBEE W400

Main Features

  • Proprietary AC Pulse Technology: Realizes high-efficiency, superior quality welding specifically for ultrathin plates.
  • Enhanced Wave Pulse: Advanced control ensures premium weld aesthetics with significantly reduced imperfections.
  • Multi-Material Versatility: Achieves high-quality results across various thicknesses of aluminum, mild steel, and stainless steel.
  • Increased Productivity: A 17% boost in output current enables high-efficiency welding even for mid-thickness materials.
MIG MAG

Technical Summary

  • Superior Heat Management: The exclusive AC pulse welding method minimizes heat input to the workpiece while accelerating the wire melting rate, effectively preventing burn-through on ultrathin materials.
  • Precision Deposition Control: By optimizing the EN (Electrode Negative) ratio—up to 50%—the system achieves finer deposition control compared to conventional models.


  • Enhanced Efficiency: A higher EN ratio allows for a faster wire feed rate (up to 10.5 m/min at 50% EN ratio), ensuring cleaner welds and higher productivity.

MIG

Technical specification

Welding power supply WB-W400
Rated input 3 Phase 380/400V
Rated output 400A/36V
Output adjustment range 30400A
Rated usage rate 60
Mass (dimension) 75kg395×710×835mm
Wire feeder CM-7402, CMA-7402, CMAW-7402
Welding Torch BT3510-30, WTS300-SD, BTA300-30, BTAW400-30
Gas Flow Regulator D-BHN-2
W400
Standard composition
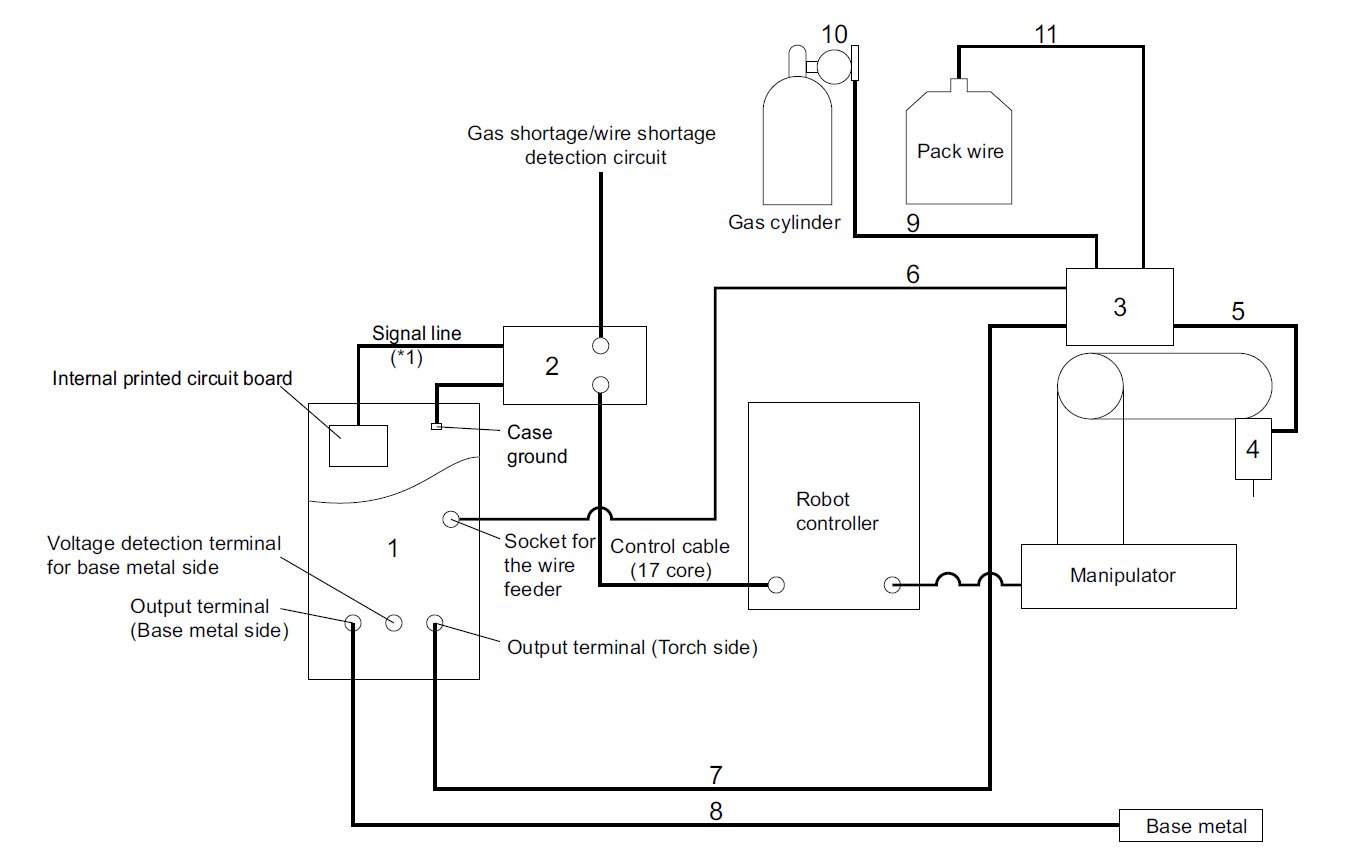
This diagram illustrates the integration between the WELBEE W400 power source, the robot controller, and the welding peripherals.


No. Name No. Name
1 Welding power source 7 Cable at torch side
2 Interface: IFR-101WB 8 Cable at base metal side
3 Wire feeder 9 Gas hose
4 Welding torch 10 Gas regulator
5 Uni-cord power cable 11 Conduit
6 Control cable for wire feeder
Download Banner

Application Scenarios

Recommended Robots

Optimize Your Manufacturing Process with Our Top Robot Solutions

At OTC, we offer a range of robotic solutions designed specifically for the automotive industry. Our recommended robots enhance productivity, precision, and efficiency in various manufacturing processes. Explore our top picks below:

WELBEE P400 Series 2

Experience the pinnacle of welding technology with the WELBEE P400 II. Featuring Smart Pulse technology and an intuitive LCD interface, this latest digital inverter model delivers flawless results across iron, stainless steel, and aluminum.

WELBEE P400L / P500L Series 2

Digital Inverter Controlled Pulse MAG / MIG / CO2 Automatic Welding Machine "The Ultimate Flagship Model: Delivering Superior Performance for Steel, Stainless Steel, and Aluminum."

Related Case Studies:

Customer Service Email
[email protected]